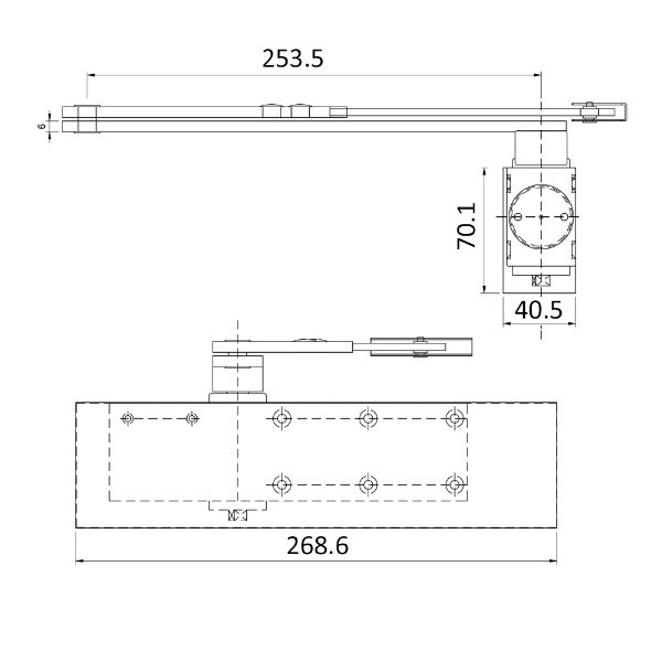
KD-9150

Generate Data Sheet