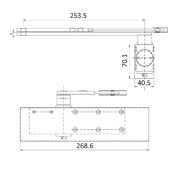
KD-9130

Generate Data Sheet